Не дозвонились?
Закажите обратный звонок
-
- Новинки для систем отопления
- Комплектующие для систем отопления
- Радиаторы
- Арматура для радиаторов
- Дизайн радиаторы Kermi
- Новинки для систем водоснабжения
- Система водоснабжения и отопления Ivar
- Система водоснабжения и отопления Viega Fosta
- Система водоснабжения и отопления Rehau
- Насосное оборудование
- Фильтры
- Система внутренней канализации Ostendorf
- Трапы,Сифоны
- Дизельные котлы
- Комплектующие, запчасти
- Фитинги из ковкого чугуна SANHA
- Шаровые краны
- Воздуховоды
-
- Новинки для систем отопления
- Трубы для систем теплого пола
- Насосно-смесительные узлы
- Коллекторные системы
- Автоматика для теплого пола
- Комплектующие для систем отопления
- Коллекторные шкафы
- Радиаторы
- Конвекторы
- Арматура для радиаторов
- Система отопления Viega Prestabo
- Дизайн радиаторы Kermi
- Ручной инструмент
-
- Новинки для систем водоснабжения
- Система водоснабжения и отопления Silverpex & Jentro
- Система водоснабжения и отопления Ivar
- Пресс-фитинги FAR
- Система водоснабжения и отопления Viega Pexfit Pro
- Система водоснабжения и отопления Viega Fosta
- Система водоснабжения и отопления Rehau
- Система холодного водоснабжения
- Насосное оборудование
- Гофрированные защитные кожухи, трубная изоляция
- Фильтры
Ваш консультант
| Телефон: | (812) 640-9552 |
| E-mail: | info@northcompany.ru |
Сервис
Характеристики
| Мощность | 12кВт |
| Производитель | ЭВАН WARMOS-IV |
| Управление | автоматическое |
| Напряжение | 380V |
| Площадь обогрева | 100-140кв.м. |
| Присоединение | 11/4"ВР |
Описание
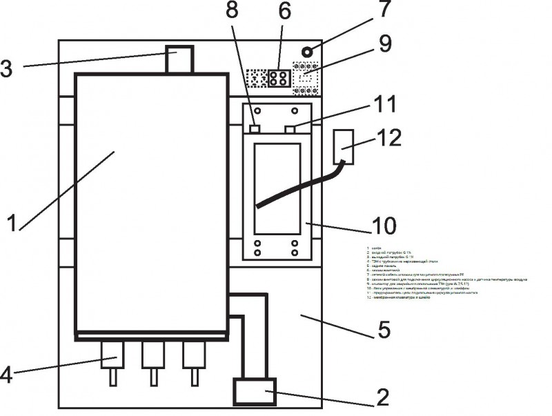
WARMOS-IV - это электрический котел нового поколения семейства WARMOS.
Увеличенный температурный диапазон
WARMOS-IV работает в расширенном диапазоне температуры теплоносителя от +5 до +85°C. Благодаря этому, вы можете дополнительно использовать его в таких режимах как: “Тёплый пол” и “Антизамерзание”:
-
В режиме “Тёплый пол” WARMOS-IV напрямую подключается к системе теплого пола.
-
В режиме “Антизамерзание” котел сберегает энергию, работая от +5 до +15°C. Это удобно, когда люди надолго покидают помещение.
Новый дизайн и индикаторы
Дизайн нового WARMOS дополнен улучшенной панелью управления со светодиодной индикацией. Яркие индикаторы показывают ступени мощности, температуру теплоносителя. Если котёл запускается при отрицательной температуре, отображается специальное значение: “-0”. Режим “Управление котлом по температуре воздуха в помещении” отображается на индикаторе миганием точки. Предусмотрена индикация аварийных ситуаций.
Удобство эксплуатации и обслуживания котла
WARMOS-IV заботится о вашем удобстве и безопасности. При возникновении внештатной ситуации на панели высвечиваются коды, которые сигнализируют, если:
-
произошёл обрыв термодатчика контроля температуры теплоносителя (код Е1);
-
случилось короткое замыкание термодатчика контроля температуры (Е2);
-
теплоноситель разогрелся выше +84°C (Е3);
-
теплоноситель разогрелся выше +90°C (FF).
Дополнительную безопасность обеспечивает контур независимого аварийного отключения
Вы легко задаёте нужную температуру теплоносителя от +5 до +85°C с точностью до 1 градуса. Выбор ступеней мощности происходит в автоматическом режиме - котел сам определяет оптимальное число ступеней. При этом сохраняется возможность ручного регулирования мощности.
Котел устойчив к перепадам напряжения в сети и сохраняет работоспособность как при пониженном (до 180 В), так и при повышенном (до 260 В) напряжении.
Кроме того, WARMOS-IV обладает всеми достоинствами, характерными для других моделей электрокотлов ЭВАН: возможностью использовать воду и незамерзающие жидкости в качестве теплоносителя, опцией временной задержки включения и выключения ступеней мощности, надежными ТЭНами из нержавеющей стали производства Backer с ротацией их при каждом включении.
Особенности:
-
Модельный ряд с диапазоном мощности 3,75 – 30 кВт.
-
Возможность использования в качестве теплоносителя как воду, так и незамерзающие жидкости.
-
ТЭНы из нержавеющей стали производства Backer.
-
Контур независимого аварийного отключения.
-
Задание температуры теплоносителя с точностью до 1 градуса, в диапазоне от +5 до +85°C.
-
Расширение температурного диапазона от +5 до +85 °C даёт возможность использования котла в режимах: "тёплый пол" и "антизамерзание".
-
Возможность ограничения мощности котла. Три ступени – каждая ступень 1/3 мощности котла.
-
Временная задержка включения/выключения ступеней мощности.
-
Автоматический выбор необходимого количества ступеней для регулирования заданной температуры теплоносителя (благодаря замене механического термостата термодатчиком с электронной системой терморегулирования).
-
Световые индикаторы, отображающие всю необходимую информацию - отображение текущей температуры в диапазоне от 0 до +90 °C.
-
При пуске котла при температурах ниже 0 (случай с незамерзающей жидкостью в системе), работоспособность котла сохраняется, на индикаторе высвечивается «-0».
-
Режим «Управление котлом по температуре воздуха в помещении» отображается на индикаторе миганием точки.
-
Ротация ТЭН при каждом включении котла в режим «нагрев».
-
Колодка для подключения циркуляционного насоса и датчика температуры воздуха.
-
Стабильность работы при пониженном (до 180) и повышенном (до 260В) напряжении
-
Индикация кодов аварийных ситуаций
-
КПД - 99%
-
Гарантия - 24 месяца
Полезные документы и файлы
-
Реквизиты Северная компания 402 Кб

-
Паспорт warmos-IV 3,75-30 181 Кб

-
Сертификат warmos 2 Мб

-
Схема подключения gsm-warmos-iv 144 Кб

Похожие модели
-
Мощность: 12кВт
Производитель: ЭВАН EXPERT
Страна производства: Россия
Управление: автоматическое
Напряжение: 380V
Площадь обогрева: 100-140кв.м.
49 800 р. -
Мощность: 15кВт
Производитель: ЭВАН EXPERT
Страна производства: Россия
Управление: автоматическое
Напряжение: 380V
Площадь обогрева: 130-180кв.м.
51 100 р. -
Мощность: 18кВт
Производитель: ЭВАН EXPERT
Страна производства: Россия
Управление: автоматическое
Напряжение: 380V
Площадь обогрева: 150-220кв.м.
52 300 р. -
Мощность: 22.5кВт
Производитель: ЭВАН EXPERT
Страна производства: Россия
Управление: автоматическое
Напряжение: 380V
Площадь обогрева: 180-250кв.м.
53 990 р.





















