Не дозвонились?
Закажите обратный звонок
-
- Новинки для систем отопления
- Комплектующие для систем отопления
- Радиаторы
- Арматура для радиаторов
- Дизайн радиаторы Kermi
- Новинки для систем водоснабжения
- Система водоснабжения и отопления Ivar
- Система водоснабжения и отопления Viega Fosta
- Система водоснабжения и отопления Rehau
- Насосное оборудование
- Фильтры
- Система внутренней канализации Ostendorf
- Трапы,Сифоны
- Дизельные котлы
- Комплектующие, запчасти
- Фитинги из ковкого чугуна SANHA
- Шаровые краны
- Воздуховоды
-
- Новинки для систем отопления
- Трубы для систем теплого пола
- Насосно-смесительные узлы
- Коллекторные системы
- Автоматика для теплого пола
- Комплектующие для систем отопления
- Коллекторные шкафы
- Радиаторы
- Конвекторы
- Арматура для радиаторов
- Система отопления Viega Prestabo
- Дизайн радиаторы Kermi
- Ручной инструмент
-
- Новинки для систем водоснабжения
- Система водоснабжения и отопления Silverpex & Jentro
- Система водоснабжения и отопления Ivar
- Пресс-фитинги FAR
- Система водоснабжения и отопления Viega Pexfit Pro
- Система водоснабжения и отопления Viega Fosta
- Система водоснабжения и отопления Rehau
- Система холодного водоснабжения
- Насосное оборудование
- Гофрированные защитные кожухи, трубная изоляция
- Фильтры
Ваш консультант
| Телефон: | (812) 640-9552 |
| E-mail: | info@northcompany.ru |
Сервис
Характеристики
| Производитель | IVAR (Италия) |
| Исполнение | без насоса |
| Давление | 10bar |
| Температура | 95Сº |
| Регулировка | - |
| Цвет | Хром |
| Материал | Латунь |
| Размер ВхШхГ | -мм |
| Запорная арматура | Встроенная |
| Единица измерения | шт |
Описание
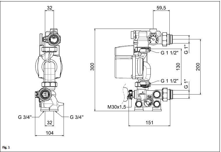
Насосно-смесительный блок UNIMIX-C производства IVAR (Италия) предназначен для регулирования температуры теплоносителя в системах водяного теплого пола.
ИМЕЕТ РЕГУЛИРОВКИ ПО ПЕРВИЧНОМУ И ВТОРИЧНОМУ КОНТУРАМ ОТОПЛЕНИЯ! НЕ ТРЕБУЕТ ИСПОЛЬЗОВАНИЯ БАЙПАСА!
Состоит из:
3-ходовой вентиль, присоединительная резьба М30х1,5мм, для постоянной характеристики регулирования в сочетании со следующими компонентами:
- термостат для регулировки температуры теплоносителя с погружным датчиком и теплопроводным цоколем
- присоединение первичной и вторичной стороны внутренняя резьба 3/4"
- предварительно смонтирован для левостороннего размещения непосредственно в шкафу распределительного устройства, скрытый монтаж
Характеристики:
- рабочее давление не более 10 бар
- температура в подающем трубопроводе первичная сторона не более 95°С
- температура в подающем трубопроводе вторичная сторона не более 50°С
- рабочее напряжение 230В/50Гц
- потребляемая мощность насоса (не поставляется в комплекте) не более 90Вт
Предназначен для централизованной автоматической стабилизации температуры воды в подающем трубопроводе в системах отопления пола большой площади в жилых помещениях, например в коттеджах на одну семью. Размещение - в центре перед распределителем отопительного контура. Диапазон мощности - до 15кВт и 250 м.кв. отапливаемой площади при расходе тепла примерно 75Вт/м.кв.
Дополнительно необходимо укомплектовать:
- циркуляционным насосом, напр 25/4-130, 25/6-130
- защитным термостатом насоса
- воздухоотводчиком (ручным или автоматическим)
- дренажными кранами для заполнения/опорожнения системы отопления.
Полезные документы и файлы
-
UNIMIX-C проспект 1010 Кб

-
UNIMIX-C инструкция 2 Мб

-
UNIMIX-C инструкция (рус) 56 Кб

Сопутствующие товары
Похожие модели
-
Производитель: IVAR (Италия)
Исполнение: 3/4"(KV8)
Давление: 10bar
Температура: 120Сº
Регулировка: -
Единица измерения: шт
2 318 р. -
Производитель: IVAR (Италия)
Исполнение: 1 1/4"(KV18)
Давление: 10bar
Температура: 120Сº
Регулировка: -
Единица измерения: шт
1 928 р. -
Производитель: IVAR (Италия)
Исполнение: короб встраиваемый
Давление: 10bar
Температура: 95Сº
Регулировка: по t° возд + по t° обратного потока
Единица измерения: шт
6 989 р. -
Производитель: IVAR (Италия)
Исполнение: короб встраиваемый
Давление: 10bar
Температура: 95Сº
Регулировка: по t° возд + по t° обратного потока
Единица измерения: шт
8 185 р.




















